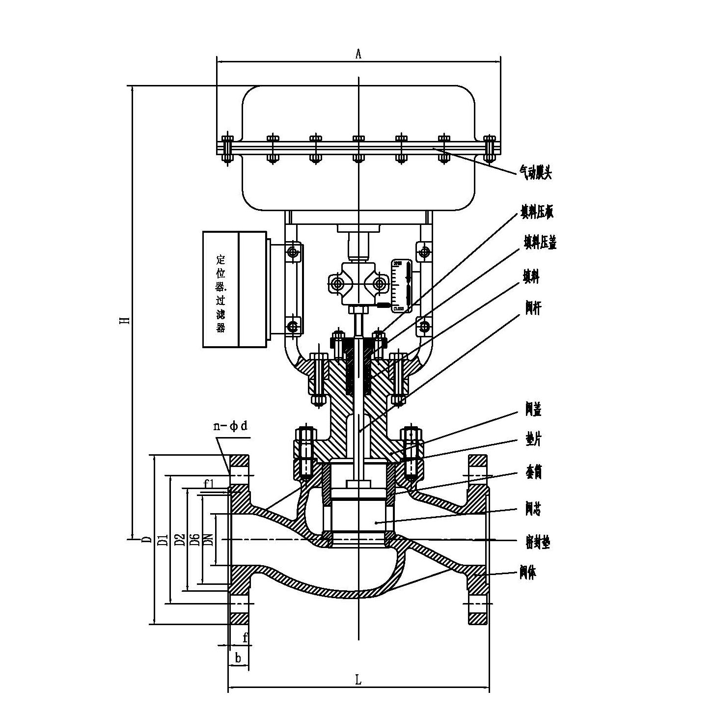
ZJHPM精小型氣動單座套筒調節閥
概述:zJHMP型氣動單座套筒調節閥由氣動多彈簧薄膜執行機構和低流阻單座閥組成,新型執行機構高度低、重量輕、裝校簡便,新型閥體結構緊湊、流道通暢,具有大的流量系數。
本產品操作穩定,具有可靠的動作特性,微小的閥座泄露、精確的流量特性、寬大的可調范圍等點。它必將以獨特的優點在廣泛應用中取得高質量的控制效果。
| 主要技術參數和性能指標 | ||||||||||||||||
| 1、調節機構主要技術參數 | ||||||||||||||||
| 公稱通徑mm | 20 | 25 | 40 | 50 | 65 | 80 | 100 | 150 | 200 | |||||||
| 閥座直徑mm | 10 | 12 | 15 | 20 | 25 | 32 | 40 | 50 | 65 | 80 | 100 | 125 | 150 | 200 | ||
| 額定流量系數Kv | 直線 | 1.8 | 2.8 | 4.4 | 6.9 | 11 | 17.6 | 27.5 | 44 | 69 | 110 | 176 | 275 | 440 | 690 | |
| 等百分比 | 1.6 | 2.5 | 4 | 6.3 | 10 | 16 | 25 | 40 | 63 | 110 | 160 | 250 | 400 | 630 | ||
| 公稱壓力MPa | 0.6 1.6 4.0 6.4 | |||||||||||||||
| 行程mm | 10 | 16 | 25 | 40 | 60 | |||||||||||
| 流量特性 | 直線、等百分比 | |||||||||||||||
| 介質溫度。C | -17-+200(常溫型)、-40-+250. -40-+450(中溫型) | |||||||||||||||
| 法蘭尺寸 | HG/T20592 | |||||||||||||||
| 法蘭形式 | HG/T20592 | |||||||||||||||
| 閥體材質 | PN(Mpa) | 0.6,1.6 | C4、904L、TA2 | |||||||||||||
| 4.0,6.4 | 2G1Cr18Ni9Ti、 ZG1Cr18Ni2Mo2Ti | |||||||||||||||
| 閥芯材質 | C4、904L、1Cr18Ni9Ti、0Cr18Ni12Mo2Ti | |||||||||||||||
| 上閥蓋型式 | 普通式(常溫型),熱片式(中溫型) | |||||||||||||||
| 可調比R | 50:1 | |||||||||||||||
| 氣源換頭 | M16X1.5 | |||||||||||||||
| 注:可為用戶提供ANSI、JPI、 JIS法蘭的產品,結構長度也可按用戶需要確定 | ||||||||||||||||
| 2、 執行機構主要技術參數 | |||||
| 型號 | 2MAB-22 | 2MAB-23 | 2MAB-34 | 2MAB-45 | 2MAB-56 |
| 有效面積cm2 | 280 | 400 | 630 | 1000 | 1600 |
| 行程mm | 16 | 25 | 40 | 60 | 100 |
| 彈簧范圍KPa | 20-100 40-200 20-60、60-100、80-240 | ||||
| 可配附件 | ||||||||||||
| 定位器、手輪機構、空氣過濾減壓器等 | ||||||||||||
| 外形尺寸 | ||||||||||||
| DN | L | H | H1 | 質量(Kg) | ?A | |||||||
| PN616 | PN40 | PN64 | 普通 | 高溫 | PN6 | PN16 | PN40 | PN64 | PN40PN64 | PN6PN17 | 285 | |
| 20 | 181 | 194 | 206 | 398 | 548 | 45 | 52 | 65 | 19 | 23 | ||
| 25 | 184 | 197 | 210 | 410 | 560 | 50 | 57 | 70 | 20 | 24 | ||
| 32 | 200 | 210 | 210 | 418 | 578 | 56 | 70 | 78 | 24 | 31 | ||
| 40 | 222 | 235 | 251 | 455 | 620 | 65 | 75 | 85 | 26 | 35 | ||
| 50 | 254 | 267 | 286 | 475 | 627 | 70 | 82 | 90 | 30 | 40 | ||
| 65 | 276 | 292 | 311 | 610 | 790 | 80 | 92 | 102 | 47 | 66 | 360 | |
| 80 | 298 | 317 | 337 | 622 | 807 | 95 | 100 | 107 | 55 | 78 | ||
| 100 | 352 | 368 | 394 | 640 | 850 | 105 | 110 | 117 | 125 | 65 | 99 | |
| 125 | 410 | 425 | 440 | 864 | 1122 | 120 | 125 | 135 | 148 | 120 | 140 | |
| 150 | 451 | 473 | 508 | 870 | 1130 | 132 | 142 | 150 | 175 | 130 | 160 | 470 |
| 200 | 600 | 615 | 650 | 890 | 1150 | 160 | 170 | 187 | 207 | 175 | 250 | |
| 250 | 650 | 670 | 690 | 1203 | 1523 | 187 | 202 | 225 | 235 | 350 | 470 | 580 |
| 300 | 740 | 770 | 800 | 1234 | 1554 | 220 | 230 | 257 | 265 | 500 | 660 | |